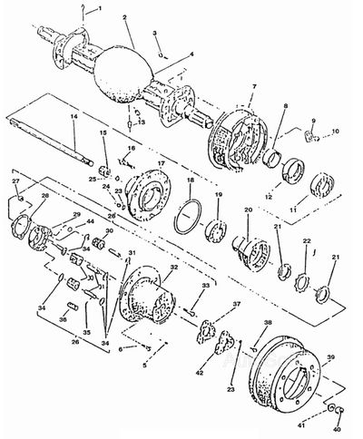
Балка с редукторами 1784.h.20, 1786.h.20
1 ₽
Удалить товар
Вы точно хотите удалить выбранный товар? Отменить данное действие будет невозможно.
| # | Номер детали | Наименование | Кол-во на модель |
|---|---|---|---|
| 6198.10.01.00.00-05 | Балка с редукторами | 1 | |
| 1 | 6198.01.00.12 | Штифт | 2 |
| 2 | [Штифт цилиндрический 8n6х25 БДС1980-77] | Штифт цилиндрический 8n6х25 БДС1980-77 | 2 |
| 3 | 6140.00.00.09 | Болт | 16 |
| 4 | 6198.01.01.00 | Балка с рукавами | 1 |
| 5 | [Пробка II коническая 1/4-8g БДС2527-71/5] | Пробка II коническая 1/4-8g БДС2527-71/5 | 2 |
| 6 | [Винт 3М8х30-5.6 БДС1359-83] | Винт 3М8х30-5.6 БДС1359-83 | 6 |
| 7 | 6942.20.00.00.00-02 | Сервотормоз 270 | 2 |
| 8 | 6198.01.00.06 | Кольцо | 2 |
| 9 | 6140.01.00.12 | Пластина стопорная | 8 |
| 10 | [Гайка М14х1,5-8 БДС1269-73] | Гайка М14х1,5-8 БДС1269-73 | 16 |
| 11 | [Подшипник 2007113 ГОСТ333-79] | Подшипник 2007113 ГОСТ333-79 | 2 |
| 12 | [Уплотнение А75х100-10-3 БДС9954-78] | Уплотнение А75х100-10-3 БДС9954-78 | 2 |
| 13 | [Пробка II коническая 1/2-8g БДС2527-71] | Пробка II коническая 1/2-8g БДС2527-71 | 2 |
| 14 | 6198.01.00.01 | Полувал | 2 |
| 15 | 6198.01.00.13 | Шестерня | 2 |
| 16 | 6198.01.00.07 | Болт | 12 |
| 17 | 6198.01.00.03 | Ступица | 2 |
| 18 | [Кольцо 2-155х3-2 БДС7947-85] | Кольцо 2-155х3-2 БДС7947-85 | 2 |
| 19 | [Подшипник 2007116 ГОСТ333-79] | Подшипник 2007116 ГОСТ333-79 | 2 |
| 20 | 6198.01.00.19 | Зубчатый венец | 2 |
| 21 | 6198.01.00.09 | Гайка круглая | 4 |
| 22 | 6198.01.00.10 | Предохранительная шайба | 2 |
| 23 | [Шайба 2-8Н БДС833-82] | Шайба 2-8Н БДС833-82 | 6 |
| 24 | [Гайка М8-5 БДС744-91] | Гайка М8-5 БДС744-91 | 6 |
| 25 | В30 БДС2170-77 | Кольцо | 2 |
| 26 | 6198.01.02.00-02 | Направляющая в сборе | 2 |
| 27 | [Гайка М12-8 БДС1262-83] | Гайка М12-8 БДС1262-83 | 6 |
| 28 | 6198.01.02.06 | Пластина стопорная | 2 |
| 29 | 6198.01.02.02 | Несущий элемент | 2 |
| 30 | 6198.01.02.07 | Шестерня | 6 |
| 31 | 6198.01.02.03 | Ось | 6 |
| 32 | 6198.01.02.01 | Кожух | 2 |
| 33 | [Болт 1 М12х65-8.8 БДС1231-85] | Болт 1 М12х65-8.8 БДС1231-85 | 6 |
| 34 | 6198.01.02.05 | Опорная шайба | 12 |
| 35 | [Шарик 5мм БДС4885-82] | Шарик 5мм БДС4885-82 | 6 |
| 36 | [Ролик игольчатый 3х27,8 II БДС4886-81] | Ролик игольчатый 3х27,8 II БДС4886-81 | 120 |
| 37 | 6198.01.00.08 | Уплотнение | 2 |
| 38 | [Болт 1 М8х16-5.6 БДС1232-86] | Болт 1 М8х16-5.6 БДС1232-86 | 18 |
| 39 | 6198.01.00.22 | Тормозной барабан | 2 |
| 40 | 701.08.00.02 | Специальная гайка | 12 |
| 41 | [Сферическая пружинная шайба С18,5 DIN74361] | Сферическая пружинная шайба С18,5 DIN74361 | 12 |
| 42 | 6198.01.00.11 | Крышка | 2 |
| 44 | [Кольцо 2-13х3-2 БДС7947-85] | Кольцо 2-13х3-2 БДС7947-85 | 6 |
Вы точно хотите удалить выбранный товар? Отменить данное действие будет невозможно.
Вы точно хотите удалить выбранный товар? Отменить данное действие будет невозможно.