1 ₽
Двигатель Д3900 (PERKINS D3900K)
Меню каталога
Меню каталога
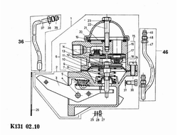
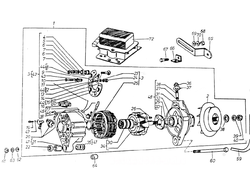
Электронный каталог запчастей Д3900
В данном каталоге представлены каталожные номера запчастей двигателя Д3900, развернутые иллюстрации прилагаются.
Здесь вы найдете каталожные номера:
- Поршневой группы
- Топливной системы
- Форсунок
- Запчасти для ГБЦ
- Масляный насос
- Гидравлический насос
- Коленчатый вал
- Вкладыши
И многие другие позиции.
:format(png)/a3a76f567dad0ee.ru.s.siteapi.org/img/687227c1cf95747e700f1cdd4c2548c48710894c.jpg)
:format(png)/a3a76f567dad0ee.ru.s.siteapi.org/img/4e5d0027ccad0acc6faba86de57d850388423d1f.jpg)
:format(png)/a3a76f567dad0ee.ru.s.siteapi.org/img/4fb67e3debd1d360d0471429273b0796e4009973.jpg)