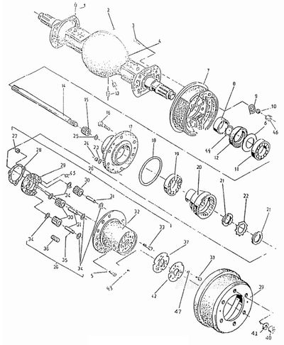
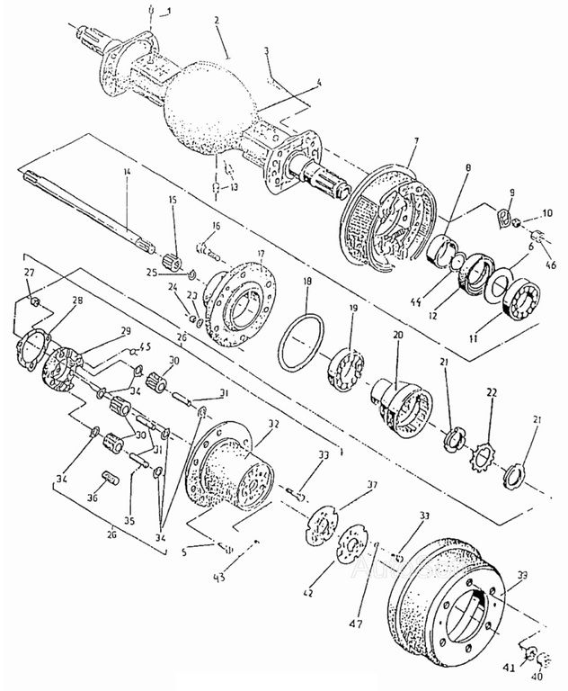
Балка с редукторами 1788, 1792, 1794
1 ₽
Удалить товар
Вы точно хотите удалить выбранный товар? Отменить данное действие будет невозможно.
| 6199.01.00.00-11 | Балка с редукторами | 1 | |
| 6199.01.00.00-15 | Балка с редукторами | 1 | |
| 1 | 6198.01.00.12 | Штифт | 2 |
| 2 | [Штифт цилиндрический 8n6х25-1 БДС1980-77] | Штифт цилиндрический 8n6х25-1 БДС1980-77 | 2 |
| 3 | 6199.01.00.08 | Болт | 16 |
| 4 | 6199.01.05.00 | Балка с рукавами | 1 |
| 4 | 6233.204.00.00 | Балка с рукавами | 1 |
| 5 | [Винт 2А М8х40/22-8.8 БДС1359-83] | Винт 2А М8х40/22-8.8 БДС1359-83 | 8 |
| 6 | 6140.00.00.03 | Шайба | 2 |
| 7 | 6941.21.00.00.00-02 | Сервотормоз 335 | 2 |
| 8 | 6199.01.00.14 | Кольцо | 2 |
| 9 | 6199.01.00.09 | Пластина контровочная | 8 |
| 10 | 6191.00.00.12 | Гайка М14х1,5-6Н | 16 |
| 11 | [Подшипник 2007116 ГОСТ333-79] | Подшипник 2007116 ГОСТ333-79 | 2 |
| 11 | [Подшипник 32016Х DIN720] | Подшипник 32016Х DIN720 | 2 |
| 12 | [Уплотнение КтМ1166] | Уплотнение КтМ1166 | 2 |
| 13 | [Пробка II коническая 1/2 БДС2527-71] | Пробка II коническая 1/2 БДС2527-71 | 2 |
| 14 | 6199.01.00.01 | Полувал | 2 |
| 14 | 6233.200.00.03 | Полувал | 2 |
| 15 | 6198.01.00.13 | Шестерня | 2 |
| 16 | 6199.01.00.06 | Колесный болт М22х1,5 | 16 |
| 16 | 6199.01.00.06-01 | Болт | 16 |
| 17 | 6199.01.00.19 | Ступица | 2 |
| 18 | [Кольцо 2-210х5-2 БДС7947-85] | Кольцо 2-210х5-2 БДС7947-85 | 2 |
| 19 | [Подшипник 7220 ГОСТ333-79] | Подшипник 7220 ГОСТ333-79 | 2 |
| 20 | 6199.01.00.20 | Венец зубчатый | 2 |
| 21 | 6199.01.00.12 | Гайка круглая | 4 |
| 22 | 6199.01.00.17 | Предохранительная шайба | 2 |
| 23 | [Шайба 2-8Н БДС833-82] | Шайба 2-8Н БДС833-82 | 8 |
| 24 | [Гайка М8-8 БДС744-83] | Гайка М8-8 БДС744-83 | 8 |
| 25 | [Кольцо В29 БДС2170-77] | Кольцо В29 БДС2170-77 | 2 |
| 26 | 6199.01.02.00 | Направляющая в сборе | 2 |
| 27 | [Гайка М16-08 БДС1262-83] | Гайка М16-08 БДС1262-83 | 6 |
| 28 | 6199.01.02.06 | Пластина контровочная | 2 |
| 29 | 6199.01.02.02 | Несущая | 2 |
| 30 | 6199.01.02.04 | Шестерня | 6 |
| 31 | 6199.01.02.03 | Ось | 6 |
| 32 | 6199.01.02.01 | Кожух | 2 |
| 33 | [Болт 1 М16х70-8.8 БДС1231-85] | Болт 1 М16х70-8.8 БДС1231-85 | 6 |
| 34 | 6199.01.02.05 | Шайба | 12 |
| 35 | [Шарик 5мм БДС4885-82] | Шарик 5мм БДС4885-82 | 6 |
| 36 | [Подшипник игольчатый 3,5х29,8 А3 БДС4886-81] | Подшипник игольчатый 3,5х29,8 А3 БДС4886-81 | 144 |
| 37 | 6199.01.00.07 | Уплотнение | 2 |
| 38 | [Болт 1 М8х16-8.8 БДС1232-86] | Болт 1 М8х16-8.8 БДС1232-86 | 18 |
| 39 | 6199.01.00.18 | Тормозной барабан | 2 |
| 40 | 6199.01.00.10 | Гайка | 16 |
| 41 | [Сферическая пружинная шайба С22,5 DIN74361] | Сферическая пружинная шайба С22,5 DIN74361 | 16 |
| 42 | 6199.01.00.11 | Крышка | 2 |
| 43 | [Пробка БДС2527-71] | Пробка БДС2527-71 | 4 |
| 44 | 6860.01.00.04 | Кольцо | 18 |
| 45 | [Кольцо БДС7947-85] | Кольцо БДС7947-85 | 6 |
Вы точно хотите удалить выбранный товар? Отменить данное действие будет невозможно.
Вы точно хотите удалить выбранный товар? Отменить данное действие будет невозможно.