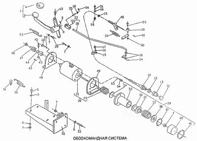
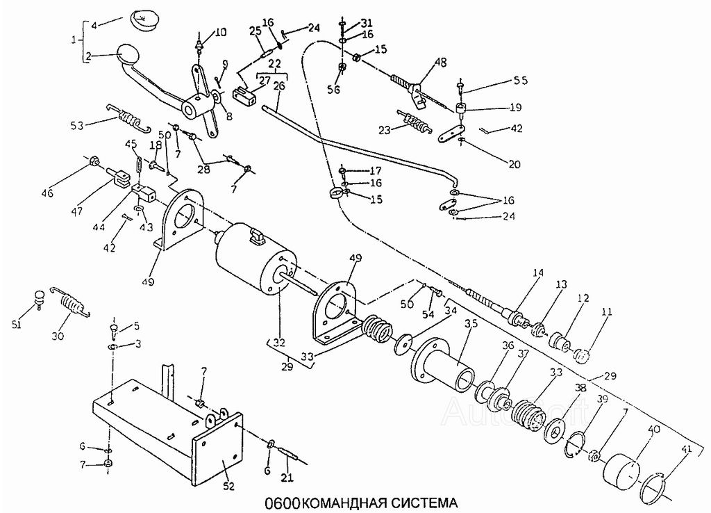
Командная система ДВ 1792
1 ₽
Удалить товар
Вы точно хотите удалить выбранный товар? Отменить данное действие будет невозможно.
| # | Номер детали | Наименование | Кол-во на модель |
|---|---|---|---|
| 1784.33.20.02.00.00-03 | Командная система | 1 | |
| 1 | 1784.33.20.02.05.00-01 | Педаль акселератора в сборе | 1 |
| 2 | 1784.33.20.02.05.01-01 | Педаль акселератора | 1 |
| 3 | [Шайба М10 БДС14494-78] | Шайба М10 БДС14494-78 | 4 |
| 4 | 1784.33.20.02.05.01 | Подножка резиновая | 1 |
| 5 | [Болт 1 М10х25-5.6 БДС1232-86] | Болт 1 М10х25-5.6 БДС1232-86 | 4 |
| 6 | [Шайба 2-10Н БДС833-82] | Шайба 2-10Н БДС833-82 | 8 |
| 7 | [Гайка М10-5 БДС744-91] | Гайка М10-5 БДС744-91 | 9 |
| 8 | [Шайба М24 БДС14494-78] | Шайба М24 БДС14494-78 | 1 |
| 9 | [Шплинт 5х40 БДС55-77] | Шплинт 5х40 БДС55-77 | 1 |
| 10 | [Пресс-масленка 1.1 БДС1640-83] | Пресс-масленка 1.1 БДС1640-83 | 1 |
| 11 | 1784.33.20.02.02.00 | Рукоятка в сборе | 1 |
| 12 | 1733.33.2205.00.02 | Гайка | 1 |
| 13 | 1790.33.20.05.00.01 | Шайба | 1 |
| 14 | 1733.33.2205.03.00 | Наконечник в сборе | 1 |
| 15 | 1784.33.04.00.12 | Скоба | 2 |
| 16 | [Шайба М6 БДС14494-78] | Шайба М6 БДС14494-78 | 4 |
| 17 | [Винт 1 М6х12-5.6 БДС1358-85] | Винт 1 М6х12-5.6 БДС1358-85 | 1 |
| 18 | [Болт 1 М6х12-8.8 БДС1230-85] | Болт 1 М6х12-8.8 БДС1230-85 | 3 |
| 19 | 2733.04.09.02 | Специальный наконечник | 1 |
| 20 | [Шайба М5 БДС14494-78] | Шайба М5 БДС14494-78 | 1 |
| 21 | [Шпилька 1 М10х25-5.6 БДС1238-87] | Шпилька 1 М10х25-5.6 БДС1238-87 | 3 |
| 22 | 1790.33.20.05.01.00-01 | Штанга в сборе | 1 |
| 23 | 1737.01.00.01 | Пружина | 1 |
| 24 | [Шплинт 1,6х1,6 БДС55-77] | Шплинт 1,6х1,6 БДС55-77 | 2 |
| 25 | [Ось В6х20 БДС3048-78] | Ось В6х20 БДС3048-78 | 1 |
| 26 | 1790.33.20.05.01.00 | Штанга | 1 |
| 27 | 1784.33.04.05.03 | Вилка | 1 |
| 28 | [Болт 1 М10х35-5.6 БДС1230-85] | Болт 1 М10х35-5.6 БДС1230-85 | 2 |
| 29 | 7006.05.00.00 | Переключающий магнит | 1 |
| 30 | 1784.33.20.02.00.08 | Пружина | 1 |
| 31 | [Винт М5х16-5.6 БДС1358-85] | Винт М5х16-5.6 БДС1358-85 | 1 |
| 32 | [Электромагнит КтЕ841] | Электромагнит КтЕ841 | 1 |
| 33 | 7006.03.00.06 | Пружина | 2 |
| 34 | 7006.05.00.04 | Крышка | 1 |
| 35 | 7006.05.00.01 | Втулка | 1 |
| 36 | 7006.05.00.05 | Втулка | 1 |
| 37 | 7006.05.00.03 | Крышка | 1 |
| 38 | 7006.05.00.02 | Крышка | 1 |
| 39 | [Кольцо А50 БДС2170-77] | Кольцо А50 БДС2170-77 | 1 |
| 40 | 7006.05.00.06 | Крышка | 1 |
| 41 | [Скоба А58,5-61 БДС8648-85] | Скоба А58,5-61 БДС8648-85 | 1 |
| 42 | [Шплинт 2х20 БДС55-77] | Шплинт 2х20 БДС55-77 | 3 |
| 43 | [Шайба М8 БДС14494-78] | Шайба М8 БДС14494-78 | 2 |
| 44 | 1784.33.20.02.00.02 | Вилка | 1 |
| 45 | [Ось В8х30/25 БДС5282-73] | Ось В8х30/25 БДС5282-73 | 1 |
| 46 | [Гайка М8-5 БДС744-91] | Гайка М8-5 БДС744-91 | 1 |
| 47 | 1784.33.20.02.00.01 | Вилка | 1 |
| 48 | 1737.01.04.00 | Упора в сборе | 1 |
| 49 | 1784.33.20.02.00.09 | Кронштейн | 2 |
| 50 | [Шайба 2-6Н БДС833-82] | Шайба 2-6Н БДС833-82 | 6 |
| 51 | 1784.33.20.02.00.07 | Болт | 1 |
| 52 | 1784.33.20.02.04.00 | Кронштейн в сборе | 2 |
| 53 | 2733.14.00.07 | Пружина | 1 |
| 54 | [Болт 1 М6х18-8.8 БДС1230-85] | Болт 1 М6х18-8.8 БДС1230-85 | 3 |
| 55 | [Винт М4х8-5.8 БДС1358-85] | Винт М4х8-5.8 БДС1358-85 | 1 |
| 56 | [Гайка М6-5 БДС744-91] | Гайка М6-5 БДС744-91 | 1 |
Вы точно хотите удалить выбранный товар? Отменить данное действие будет невозможно.
Вы точно хотите удалить выбранный товар? Отменить данное действие будет невозможно.