Генератор Г-221
1 ₽
Удалить товар
Вы точно хотите удалить выбранный товар? Отменить данное действие будет невозможно.
Генератор Д2500 В2871593
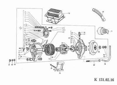
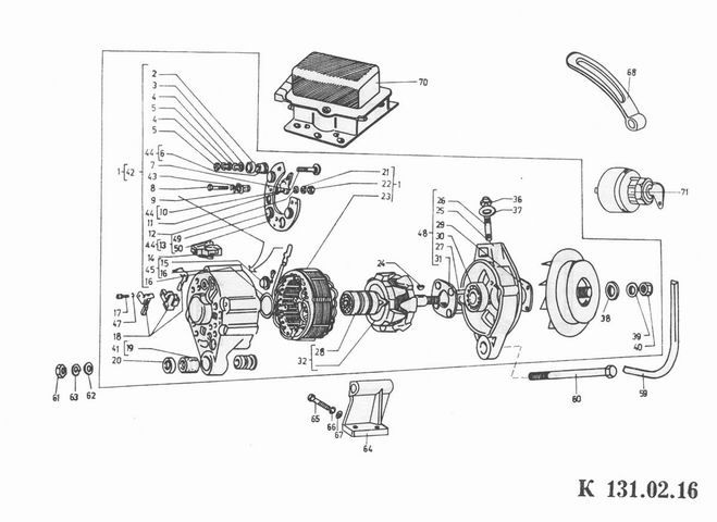
№ позиции | № по каталогу | № позиционный |
Наименование |
|
1 |
6 455552 4566693974 |
В2871593 |
Генератор Г221 |
|
2 |
7 455567 4566694057 |
В31157182 |
Шкив ременной (в сборе) |
|
3 |
|
26800 |
Щит задний и статор |
|
4 |
|
26800 |
Втулка изоляционная внешняя |
|
5 |
|
26800 |
Шайба плоская |
|
6 |
6 239316 |
|
Шайба 2-8Л БДС 833-82/Zn |
|
7 |
6 223660 |
|
Гайка М6-8 БДС 744-83/фос. |
|
8 |
|
26800 |
Уплотнение распорное |
|
9 |
|
26800 |
Уплотнение распорное |
|
10 |
|
|
Болт А1 М4-25-8.8 БДС 1230-85/фос. |
|
11 |
|
26800 |
Пробка изоляционная |
|
12 |
|
|
Болт М6х1-6gх35 БДС 2657-81/8.8 фос. |
|
13 |
|
26800 |
Пластина изоляционная |
|
14 |
|
26800 |
Шайба |
|
15 |
|
26800 |
Держатель с выпрямителями с нормальной полярностью |
|
16 |
|
26800 |
Колодка соединительная |
|
17 |
|
ВА-20 ТУ |
Выпрямитель с обратной полярностью |
|
18 |
|
26800 |
Кольцо |
|
19 |
|
|
Винт I М4х16 БДС 8226-76/5.8 фос. |
|
20 |
|
26800 |
Щеткодержатель со щетками |
|
21 |
|
26800 |
Втулка резиновая |
|
22 |
|
26800 |
Втулка |
|
23 |
6 233474 |
|
Шайба 2-4Л БДС 833-82/Zn |
|
24 |
|
26800 |
Гайка |
|
25 |
|
26800 |
Статор с навивкой II вариант |
|
25 |
|
26800 |
Статор с навивкой І вариант |
|
26 |
|
26800 |
Шпонка сегментная |
|
27 |
|
26800 |
Щит передний |
|
28 |
|
26800 |
Шпилька |
|
29 |
|
|
Заклепка БДС 1886-72/Zn |
|
30 |
|
|
Подшипник шариковый 6201 2RS Р64 |
|
31 |
|
26800 |
Крышка подшипника внешняя |
|
32 |
|
|
Подшипник шариковый 6302 2RS Р64 |
|
33 |
|
26800 |
Крышка подшипника внутренняя |
|
34 |
|
26800 |
Ротор |
|
35 |
|
26800 |
Втулка |
|
37 |
|
26800 |
Шайба плоская |
|
38 |
|
26800 |
Шайба опорная |
|
39 |
|
26800 |
Шайба пружинная коническая |
|
40 |
6 230723 |
|
Гайка М12-8 БДС 744-83/фос. |
|
41 |
|
26800 |
Втулка буферная |
|
42 |
|
26800 |
Щит задний с выпрямителями |
|
43 |
|
26800 |
Пластина под головку винта |
|
44 |
|
26800 |
Держатель с выпрямителями с нормальной полярностью |
|
45 |
|
26800 |
Щит задний с выпрямителями с обратной полярностью |
|
46 |
|
26800 |
Щит задний |
|
47 |
|
|
Шайба 2-4Л БДС 833-82/Zn |
|
48 |
|
26800 |
Щит передний |
|
49 |
|
ВА-20ТУ |
Выпрямитель с нормальной полярностью |
|
50 |
|
26800 |
Держатель с выпрямителями с нормальной полярностью |
|
59 |
6 240748 |
|
Ремень клиновой AU13x1225LP БДС 5148-85 |
|
59 |
6 240754 |
|
Ремень клиновой AU13x1270LP БДС 5148-85 |
|
60 |
6 230744 |
|
Болт А1 М12х120-8.8 БДС 1230-85/фос. |
|
61 |
6 230723 |
|
Гайка М12-8 БДС 744-83/фос. |
|
62 |
6 238864 |
|
Шайба АМ12 БДС 206-78/Zn |
|
63 |
6 205056 |
|
Шайба 2-12Л БДС 833-82/Zn |
|
64 |
6 441496 4566693593 |
В38122121 |
Кронштейн |
|
64 |
6 479681 4566693773 |
В37586401 |
Кронштейн |
|
65 |
6 224463 |
|
Болт А1 М10х30-8.8 БДС 1232-86/фос. |
|
66 |
6 205041 |
|
Шайба 2-10Л БДС 833-82/Zn |
|
67 |
6 204844 |
|
Шайба АМ10 БДС 206-78/Zn |
|
68 |
8 441504 4566693781 |
В36541361 |
Обтяжка |
|
68 |
8 480783 4566693782 |
В36541265 |
Обтяжка |
|
70 |
6 403314 4566692693 |
В2872587 |
Реле-регулятор РР 380 |
|
71 |
6 403026 4566692616 |
В2846109 |
Переключатель стартерный ПСД |
Вы точно хотите удалить выбранный товар? Отменить данное действие будет невозможно.
Вы точно хотите удалить выбранный товар? Отменить данное действие будет невозможно.