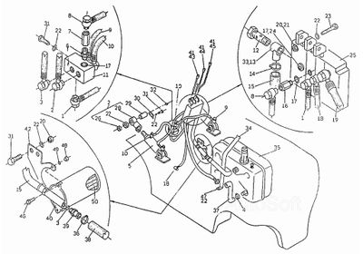
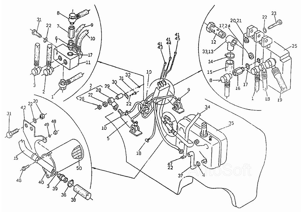
Гидравлическая система ДВ 1792/88/84/86
1 ₽
Удалить товар
Вы точно хотите удалить выбранный товар? Отменить данное действие будет невозможно.
| # | Номер детали | Наименование | Кол-во на модель |
|---|---|---|---|
| 1784.33.19.00.00-04 | Гидравлическая система | 1 | |
| 1784.33.19.00.00-07 | Гидравлическая система | 1 | |
| 1 | 1784.33.19.01.00.00 | Соединение гибкое 10-Гх18-Гх18-500/19,90 | 1 |
| 2 | 7026.01.00.00 | Присоединительная проушина 35х2/36х2 | 2 |
| 3 | [Кольцо 29,7х3,5 КтМ370] | Кольцо 29,7х3,5 КтМ370 | 2 |
| 4 | [Скоба Г50-65 БДС8648-89] | Скоба Г50-65 БДС8648-89 | 3 |
| 5 | [ЦБХ211А1 (90х145)70 инд. 5268.5 00.00.00-04 ОН04 66 147-75] | Гидравлический поршневой цилиндр ЦБХ211А1 (90х145)70 инд. 5268.5 00.00.00-04 ОН04 66 147-75 | 2 |
| 6 | 7005.00.00.62 | Штуцер | 1 |
| 7 | [ДРОК 12 инд. 5791 ОН04 58956-73] | Дроссель регулируемый ДРОК 12 инд. 5791 ОН04 58956-73 | 1 |
| 8 | [10-Гх18-Гх18-340/19,90 ОН04 51484-83] | Соединение гибкое 10-Гх18-Гх18-340/19,90 ОН04 51484-83 | 1 |
| 9 | [10-Гх18-Гх18-670/190000] | Соединение гибкое 10-Гх18-Гх18-670/190000 | 1 |
| 10 | [10-Гх18-Гх18-520/19 ОН04 51484-83] | Соединение гибкое 10-Гх18-Гх18-520/19 ОН04 51484-83 | 1 |
| 11 | 1784.33.03.00.22 | Труба специальная | 1 |
| 12 | 1784.33.19.00.03 | Болт накидной гайки | 1 |
| 13 | 1784.33.19.00.02 | Накидная гайка | 1 |
| 14 | [Скоба Г38-50 БДС8648-89] | Скоба Г38-50 БДС8648-89 | 2 |
| 15 | [Шланг Б-0,63-32,0 (L=500) БДС6735-79] | Шланг Б-0,63-32,0 (L=500) БДС6735-79 | 1 |
| 16 | 2733.33.6.09.00.01-01 | Штуцер | 1 |
| 17 | [Кольцо 1А 18х22Сu99,7 БДС3609-73] | Кольцо 1А 18х22Сu99,7 БДС3609-73 | 6 |
| 18 | 1784.33.10.02.00.00-02 | Соединение гибкое 16Гх22-Гх22-1000/19 | 1 |
| 18 | 1784.33.19.02.00.00 | Соединение гибкое 16Гх22-Гх22-860/19 | 1 |
| 19 | 1784.33.19.03.00.00 | Соединение гибкое 16Гх22-Гх22-1600/19,90 | 1 |
| 20 | [Гайка АМ10-5 БДС744-91] | Гайка АМ10-5 БДС744-91 | 6 |
| 21 | [Шайба М10 БДС14494-78] | Шайба М10 БДС14494-78 | 7 |
| 22 | [Шайба 2-10Н БДС833-82] | Шайба 2-10Н БДС833-82 | 14 |
| 23 | [Болт 1 М10х110-5.6 БДС1230-85] | Болт 1 М10х110-5.6 БДС1230-85 | 3 |
| 24 | 2733.33.6.03.00.02 | Пробка М18х1,5-6 | 2 |
| 25 | 12670.00.00.00-10 | Гидравлический распределитель РХ801ВнАнА-1Т-1-10-М26х1,5 | 1 |
| 25 | 12680.00.00.00-19 | Гидравлический распределитель РХ801ВнАнАА-1Т-1-10-М26х1,5 | 1 |
| 26 | [Кольцо А55 БДС2170-75] | Кольцо А55 БДС2170-75 | 4 |
| 27 | [Сферический подшипник ZРS-35 ТGL12398] | Сферический подшипник ZРS-35 ТGL12398 | 2 |
| 28 | 7026.01.00.01 | Проушина | 2 |
| 29 | 1784.33.03.00.13 | Ось | 4 |
| 30 | [Планка фиксирующая 35 БДС2348-85] | Планка фиксирующая 35 БДС2348-85 | 4 |
| 31 | [Болт 1 М10х25-5.6 БДС1230-85] | Болт 1 М10х25-5.6 БДС1230-85 | 11 |
| 32 | [Пресс-масленка 1.3 БДС1640-81] | Пресс-масленка 1.3 БДС1640-81 | 4 |
| 33 | [Кольцо I А27х33 БДС3609-73] | Кольцо I А27х33 БДС3609-73 | 12 |
| 34 | 1784.33.03.14.00 | Стяжная лента | 1 |
| 35 | 6768.00.00.00 | Масляный блок в сборе | 1 |
| 36 | [Скоба Г32-44 БДС8648-89] | Скоба Г32-44 БДС8648-89 | 1 |
| 37 | 1784.33.03.00.25 | Угольник | 1 |
| 38 | 1784.33.03.00.20 | Шланг | 1 |
| 39 | 1784.33.03.00.11 | Штуцер | 2 |
| 40 | [Ф1-25/63Т инд. 5587 КтМ1057-01] | Фильтр гидравлический Ф1-25/63Т инд. 5587 КтМ1057-01 | 1 |
| 41 | 7023.129.00.01 | Рукоятка | 3 |
| 42 | 1784.33.03.00.23 | Кронштейн | 1 |
| 43 | 1784.33.41.04.00.08 | Рычаг I | 1 |
| 44 | 1784.33.41.04.00.08-01 | Рычаг II | 1 |
| 45 | 1784.33.41.04.00.08-02 | Рычаг III | 1 |
| 46 | [Болт 1 М8х25-5.6 БДС1230-85] | Болт 1 М8х25-5.6 БДС1230-85 | 2 |
| 47 | [Болт 1 М10х60-5.6 БДС1230-85] | Болт 1 М10х60-5.6 БДС1230-85 | 1 |
| 48 | [Гайка М8-5 БДС744-91] | Гайка М8-5 БДС744-91 | 2 |
| 49 | [Шайба 2-8Н БДС833-82] | Шайба 2-8Н БДС833-82 | 2 |
| 50 | 5587.04.00.00 | Фильтрующий элемент 100 I | 1 |
Вы точно хотите удалить выбранный товар? Отменить данное действие будет невозможно.
Вы точно хотите удалить выбранный товар? Отменить данное действие будет невозможно.