Гидравлическая система Н=4500 EB-735
1 ₽
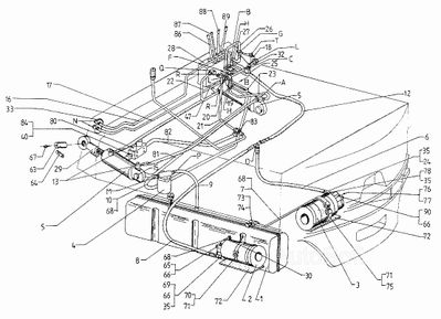
| 735.33.10.08.00.00 | Гидравлическая система | 1 | |
| 1 | 735.33.10.08.07.00.00 | Резервуар масляный в сборе | 1 |
| 2 | 7021.29.00.00-18 | Насос с электродвигателем А18Х-3ЕС 6,5/7,5/28 | 1 |
| 3 | 7021.28.00.00-31 | Насос с электродвигателем А25Х-8ЕС 10/7,5/28 | 1 |
| 4 | 5587.00.00.00-01/А | Масляный фильтр D=1-20/63Т/К/А | 1 |
| 5 | 17013.00.00.00-04 | ЦБХ211 А/90х110/70 | 1 |
| 5 | 17013.1.00.00.00-12 | Гидравлический поршневой цилиндр ЦБХ 211 А1/90х95/70 | 2 |
| 6 | [Гибкое соединение 10-Щкрх18-Нцл12-610/25 ОН-04 51484-83] | Гибкое соединение 10-Щкрх18-Нцл12-610/25 ОН-04 51484-83 | 2 |
| 7 | 735.33.10.08.00.01 | Всасывающий шланг | 1 |
| 8 | [Гибкое соединение 10-Щкрх18-Нцх12-1280/25 ОН-04 51484-83] | Гибкое соединение 10-Щкрх18-Нцх12-1280/25 ОН-04 51484-83 | 1 |
| 9 | 735.33.10.08.00.03 | Сливной шланг | 1 |
| 10 | 7019.05.00.00 | Гибкое соединение А-12-Нцх15-К90 Ех15-1050 | 1 |
| 12 | [Гибкое соединение 12-Нцх15-Нцх15-940/25 ОН-04 51484-83] | Гибкое соединение 12-Нцх15-Нцх15-940/25 ОН-04 51484-83 | 1 |
| 13 | [Гибкое соединение 8-Гх18Нцх12-840/25 ОН-04 51484-83] | Гибкое соединение 8-Гх18Нцх12-840/25 ОН-04 51484-83 | 2 |
| 15 | 735.33.10.08.00.24 | Ось | 2 |
| 16 | 735.33.10.08.00.41 | Труба | 1 |
| 17 | 735.33.10.08.00.40 | Труба | 1 |
| 18 | [Предохранительный клапан КП/А3А1 ОН-04/58921-77] | Предохранительный клапан КП/А3А1 ОН-04/58921-77 | 1 |
| 19 | 5791.00.00 | Дроссель регулируемый с обратным клапаном ДРОК-12 ОН-04 68956-76 | 1 |
| 20 | 5654.00.00 | Клапан предохранительный КП(А1А34) ОН-04 58921-77 | 1 |
| 21 | 735.33.10.08.00.38 | Труба | 1 |
| 22 | 735.33.10.08.00.46 | Сливная труба | 1 |
| 23 | [Гибкое соединение 8-К90 Ех12-Нцх12-690/25 ОН-04 51484-83] | Гибкое соединение 8-К90 Ех12-Нцх12-690/25 ОН-04 51484-83 | 2 |
| 24 | 5702.00 | Клапан обратный КО-12 | 2 |
| 25 | 735.33.10.08.00.43 | Труба | 1 |
| 26 | 735.33.10.08.00.45 | Труба | 1 |
| 27 | 735.33.10.08.00.42 | Труба | 1 |
| 28 | [Распределитель РХ-80 1-АААВн-2-2-1 ОН-04 76986-84] | Распределитель РХ-80 1-АААВн-2-2-1 ОН-04 76986-84 | 1 |
| 29 | 7026.01.00.00 | Присоединительная проушина 35х2/36х2 | 2 |
| 30 | 735.33.10.08.00.02 | Всасывающий шланг | 1 |
| 31 | 735.33.10.08.00.34 | Болт накидной гайки М26х1,5 | 1 |
| 32 | 735.33.10.08.00.44 | Труба | 1 |
| 33 | 717.33.08.00.42 | Стопорящий лист | 2 |
| 35 | А18х24 Сu 99,7 БДС3609-73 | Кольцо II | 38 |
| 40 | [Кольцо II А22х29 Сu 99,7 БДС3609-73] | Кольцо II А22х29 Сu 99,7 БДС3609-73 | 1 |
| 47 | 418015.1.00.00 | Вспомогательный выключатель для распределителя ППР2 | 4 |
| 63 | 1784.33.03.00.13 | Ось | 2 |
| 64 | [Фиксирующая планка 36 БДС2348-74] | Фиксирующая планка 36 БДС2348-74 | 4 |
| 65 | 705.04.00.34 | Фланец всасывающий | 1 |
| 66 | КтМ372 | О кольцо 15,5х2,6 | 3 |
| 67 | [Пресс-масленка I-В БДС1640-73] | Пресс-масленка I-В БДС1640-73 | 2 |
| 68 | 676-7.08.23.00 | Стяжная лента в сборе | 6 |
| 69 | 735.33.10.08.00.19 | Фланец напорный | 1 |
| 70 | 735.33.10.08.02.00 | Лента стяжная в сборе | 1 |
| 71 | 735.33.10.08.00.05 | Прокладка | 2 |
| 72 | 735.33.10.08.00.06 | Прокладка | 4 |
| 73 | 735.33.10.08.03.00 | Стяжная лента в сборе | 2 |
| 74 | 717.33.08.00.32 | Прокладка | 4 |
| 75 | 735.33.10.08.05.00 | Стяжная лента в сборе | 6 |
| 76 | 7022.00.00.01-02 | Угловой фланец 39,7х25 | 1 |
| 77 | КтМ371 | О кольцо 22,2х2,6 | 1 |
| 78 | 602.06.00.26 | Штуцер | 1 |
| 80 | 5606-3/4.4 | Блок с двумя электромагнитными клапанами 40V ОН-04 62214-72 | 1 |
| 81 | 735.33.10.08.00.47 | Труба | 1 |
| 82 | 735.33.10.08.00.22 | Труба | 1 |
| 83 | 7005.00.00.53 | Тройник LР III 12 | 1 |
| 84 | 717.33.08.00.54 | Специальный штуцер | 2 |
| 85 | 715.33.2.08.00.00.13 | Угольник III Е 12 | 1 |
| 86 | 695.33.2.08.05.00.00 | Рычаг с рукояткой в сборе | 1 |
| 87 | 695.33.2.08.06.00.00 | Рычаг с рукояткой в сборе | 1 |
| 88 | 695.33.2.08.07.00.00 | Рычаг с рукояткой в сборе | 1 |
| 89 | 695.33.2.08.08.00.00 | Рычаг с рукояткой в сборе | 1 |
| 90 | 735.33.10.08.00.25 | Фланец напорный | 1 |
Поделиться