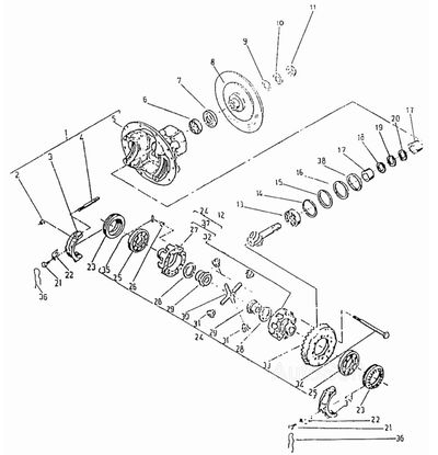
Главная передача 1788.h.20, 1792.h.20, 1794.h.24 ДВ-1792
1 ₽
| # | Номер детали | Наименование | Кол-во на модель |
|---|---|---|---|
| 6199.02.00.00 | Главная передача | 111 | |
| 1 | 6198.02.02.00 | Корпус с крышками | 111 |
| 2 | [Болт 1М12х60-8.8 БДС1230-85] | Болт 1М12х60-8.8 БДС1230-85 | 444 |
| 3 | 6198.02.02.02 | Крышка | 222 |
| 4 | 6198.02.02.03 | Шпилька | 44 |
| 5 | 6198.02.02.04 | Корпус | 111 |
| 6 | [Подшипник 7507 ГОСТ333-79] | Подшипник 7507 ГОСТ333-79 | 111 |
| 7 | [Уплотнение А55х85х14-3 БДС9954-83] | Уплотнение А55х85х14-3 БДС9954-83 | 111 |
| 8 | 6198.02.00.03 | Фланец | 111 |
| 9 | 6198.02.00.15 | Шайба | 111 |
| 10 | 6198.02.00.13 | Шайба предохранительная | 111 |
| 11 | 6198.02.00.05 | Гайка | 111 |
| 12 | 6199.02.00.01 | Шестерня ведущая коническая | 111 |
| 13 | [Подшипник 7607 ГОСТ333-79] | Подшипник 7607 ГОСТ333-79 | 111 |
| 18 | 6198.02.00.07 | Шайба | 11 |
| 19 | 6198.02.00.08 | Шайба | 22 |
| 20 | 6198.02.00.09 | Шайба | 33 |
| 17 | 6198.02.00.04 | Втулка дистанционная | 222 |
| 21 | [Болт 1 М8х16-8.8 БДС1232-86] | Болт 1 М8х16-8.8 БДС1232-86 | 222 |
| 22 | 6198.02.00.06 | Пластина стопорная | 222 |
| 23 | 6198.02.00.01 | Гайка специальная | 222 |
| 24 | 6199.02.01.00 | Дифференциал | 111 |
| 25 | [Подшипник 7210 ГОСТ333-79] | Подшипник 7210 ГОСТ333-79 | 222 |
| 26 | [Гайка М10х1,5 БДС745-82] | Гайка М10х1,5 БДС745-82 | 888 |
| 27 | 6198.02.01.01.02 | Полукассета | 111 |
| 28 | 6198.02.01.06 | Шайба упорная | 222 |
| 29 | 6198.02.01.04 | Шестерня планетарная | 222 |
| 30 | 6198.02.01.01 | Крестовина | 111 |
| 31 | 6198.02.01.03 | Шестерня сателлитная | 444 |
| 32 | 6198.02.01.01.01 | Полукассета | 111 |
| 33 | 6199.02.01.01 | Коническая коронная шестерня | 111 |
| 34 | 6198.02.01.05 | Болт | 888 |
| 35 | [Шплинт 2,5х22 БДС55-77] | Шплинт 2,5х22 БДС55-77 | 888 |
| 36 | [Проволока стальная 2 (L=315мм) БДС10065-77] | Проволока стальная 2 (L=315мм) БДС10065-77 | 22 |
| 37 | 6198.02.01.01.00 | Кассета в сборе | 111 |
| 38 | 6198.02.00.14 | Шайба | 11 |
Поделиться