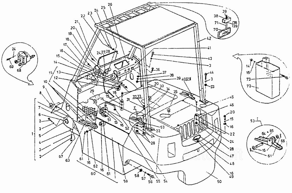
Общий вид ДВ-1621
1 ₽
Удалить товар
Вы точно хотите удалить выбранный товар? Отменить данное действие будет невозможно.
| # | Номер детали | Наименование | Кол-во на модель |
|---|---|---|---|
| [Общий вид] | Общий вид | 1 | |
| 1 | 1661.33.10.01.00.00 | Шасси | 1 |
| 2 | [Болт I М12х50-8g БДС1232-72/8,8] | Болт I М12х50-8g БДС1232-72/8,8 | 8 |
| 3 | 2 12Н БДС833-82 | Шайба | 12 |
| 4 | 1661.33.01.03.03 | Вкладыш нижний | 2 |
| 5 | 1661.33.01.03.02 | Вкладыш верхний | 2 |
| 6 | 1661.33.01.03.04 | Втулка | 2 |
| 7 | [Пресс-масленка I-Б-2 БДС1640-73] | Пресс-масленка I-Б-2 БДС1640-73 | 2 |
| 8 | 1661.33.00.00.05 | Шайба | 6 |
| 9 | 1661.33.10.00.00.18 | Планка | 2 |
| 10 | [Винт II М6х12-8g БДС1359-75/5,6] | Винт II М6х12-8g БДС1359-75/5,6 | 2 |
| 11 | 1661.33.00.02.00 | Жестяное покрытие пола в сборе | 1 |
| 12 | [Гайка I М10-7Н БДС1250-71/5] | Гайка I М10-7Н БДС1250-71/5 | 1 |
| 13 | [Болт I М10х60 БДС1234-71/5,6] | Болт I М10х60 БДС1234-71/5,6 | 1 |
| 14 | [Гайка М8-7Н БДС744-72/5] | Гайка М8-7Н БДС744-72/5 | 11 |
| 15 | [Шайба 2-8Н БДС833-82] | Шайба 2-8Н БДС833-82 | 16 |
| 16 | [Шайба М8 БДС14494-78] | Шайба М8 БДС14494-78 | 22 |
| 17 | [Шланг (L=2250мм)] | Шланг (L=2250мм) | 1 |
| 18 | [Болт I М8х50-8g БДС1232-72/5,6] | Болт I М8х50-8g БДС1232-72/5,6 | 1 |
| 19 | 1661.33.10.00.00.19 | Штуцер | 1 |
| 20 | [Болт I М8х25-8g БДС1232-72/5,6] | Болт I М8х25-8g БДС1232-72/5,6 | 6 |
| 21 | 1611.33.10.00.00.12 | Крышка | 1 |
| 22 | [Шайба М6 БДС14494-78] | Шайба М6 БДС14494-78 | 9 |
| 23 | [Винт II М6х12-8g БДС1358-72/5,6] | Винт II М6х12-8g БДС1358-72/5,6 | 6 |
| 24 | 2 6Н БДС833-82 | Шайба | 9 |
| 25 | 3900062925 | Индикатор КтМ836 | 1 |
| 26 | 1661.33.06.00.00 | Щиток управления в сборе | 1 |
| 27 | [Болт М6х18-8g БДС1234-71/5,6] | Болт М6х18-8g БДС1234-71/5,6 | |
| 28 | [Гайка М6-7Н БДС1250-71/5] | Гайка М6-7Н БДС1250-71/5 | 3 |
| 29 | 1661.33.10.00.00.02 | Резиновый коврик | 1 |
| 30 | 1661.33.11.00.00.02 | Пробка | 2 |
| 31 | 1661.33.10.00.00.09 | Планка | 1 |
| 32 | [Шплинт 2х16 БДС55-77] | Шплинт 2х16 БДС55-77 | 1 |
| 33 | [Шайба М12 БДС14494-73] | Шайба М12 БДС14494-73 | 3 |
| 34 | [Винт II М8х25-8g БДС1358-72/5,6] | Винт II М8х25-8g БДС1358-72/5,6 | 8 |
| 35 | 1661.33.10.00.00.16 | Пробка БДС1230-72/5,6 | 1 |
| 36 | [Болт I М10х30-8g БДС1232-75/5,6] | Болт I М10х30-8g БДС1232-75/5,6 | 4 |
| 37 | [Шайба М10 БДС14494-78] | Шайба М10 БДС14494-78 | 4 |
| 38 | 2 10Н БДС833-82 | Шайба | 4 |
| 39 | [Гайка I М10-7Н БДС744-72/5] | Гайка I М10-7Н БДС744-72/5 | 4 |
| 40 | [Винт II М6х14-8g БДС1358-72/5,6] | Винт II М6х14-8g БДС1358-72/5,6 | 3 |
| 41 | 1661.33.10.00.00.04 | Пробка | 3 |
| 42 | 9429.4.00.00.00 | Защитная крышка в сборе | 1 |
| 43 | [Винт I М12х25-8g БДС2171-72/6,6] | Винт I М12х25-8g БДС2171-72/6,6 | 2 |
| 44 | [Болт I М12х25-8g БДС1230-72/5,6] | Болт I М12х25-8g БДС1230-72/5,6 | 2 |
| 45 | 1661.33.10.00.01.00 | Пробка радиатора в сборе | 1 |
| 45 | 1661.33.10.00.04.00 | Пробка радиатора в сборе | 1 |
| 46 | 1661.33.10.00.00.17 | Решетка | 1 |
| 47 | 1784.33.00.02.00 | Тяж | 1 |
| 48 | 1894.33.00.00.15 | Замок | 1 |
| 49 | [Винт II М8х16-8g БДС1358-75/5,6] | Винт II М8х16-8g БДС1358-75/5,6 | 2 |
| 50 | 1661.33.10.09.00.00 | Противовес | 1 |
| 50 | 1661.33.10.09.00.00-02 | Противовес | 1 |
| 51 | [Гайка М8-7Н БДС1250-71/5] | Гайка М8-7Н БДС1250-71/5 | 2 |
| 52 | 1661.33.10.00.00.08 | Ручка | 1 |
| 53 | 1661.33.10.00.06.00 | Петля в сборе | 2 |
| 54 | 1661.33.10.00.00.06 | Крышка | 1 |
| 55 | 7007.00.00.69-02 | Резина профильная (L=2000мм) | 1 |
| 56 | [Болт I М30х55-8g БДС1232-75/8,8] | Болт I М30х55-8g БДС1232-75/8,8 | 4 |
| 57 | [Шайба 2 30Н БДС833-82] | Шайба 2 30Н БДС833-82 | 4 |
| 58 | [Шайба М30 БДС14494-78] | Шайба М30 БДС14494-78 | 4 |
| 59 | 416.00.00.08 | Амортизатор малый | 2 |
| 60 | 1661.33.10.00.07.00 | Крышка в сборе | 1 |
| 61 | [Шплинт 2х14 БДС55-77] | Шплинт 2х14 БДС55-77 | 6 |
| 62 | 1661.33.10.00.07.06 | Ось | 2 |
| 63 | 1661.33.00.00.07 | Планка | 2 |
| 64 | 1661.33.10.00.06.03 | Ось | 2 |
| 65 | 1661.33.10.00.06.01 | Планка | 2 |
| 66 | 1661.33.10.00.06.02 | Планка | 2 |
| 67 | 1661.33.11.00.00.04 | Пластина регулирующая | 4 |
| 68 | 82135 | Переключатель КтЕ653 | 1 |
| 69 | [Винт II М6х25-8g БДС832-76] | Винт II М6х25-8g БДС832-76 | 3 |
| 70 | КтМ1815 | Зеркало заднего вида | 1 |
| 71 | 1661.33.11.00.00.03 | Стойка | 1 |
| 72 | 1661.33.11.00.02.00 | Кожух в сборе | 1 |
| 73 | [Болт I М8х35-8g БДС1232-72] | Болт I М8х35-8g БДС1232-72 | 2 |
Вы точно хотите удалить выбранный товар? Отменить данное действие будет невозможно.
Вы точно хотите удалить выбранный товар? Отменить данное действие будет невозможно.