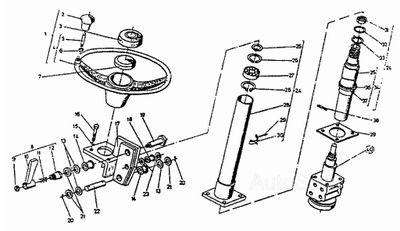
Рулевая колонка ДВ-1621
1 ₽
Удалить товар
Вы точно хотите удалить выбранный товар? Отменить данное действие будет невозможно.
| # | Номер детали | Наименование | Кол-во на модель |
|---|---|---|---|
| 8175.00.00.00 | Рулевая колонка | 1 | |
| 1 | 8171.00.00.00 | Рулевое колесо | 1 |
| 2 | 7003.00.04.00 | Рукоятка пластмассовая | 1 |
| 3 | 8171.00.00.01 | Крышка | 1 |
| 4 | 8171.01.00.00 | Рулевое колесо D=360 | 1 |
| 5 | 8171.01.00.01 | Болт специальный | 1 |
| 6 | [Гайка М12 БДС1250-71] | Гайка М12 БДС1250-71 | 1 |
| 7 | БК-104 | Кнопка | 1 |
| 8 | 8158.01.00.00 | Рукоятка в сборе | 1 |
| 9 | 8158.01.00.03 | Винт | 1 |
| 10 | 8158.01.01.00 | Рукоятка | 1 |
| 11 | 8158.01.00.01 | Пружина | 1 |
| 12 | 8158.01.00.02 | Втулка | 1 |
| 13 | 8175.00.00.04 | Шайба | 4 |
| 14 | 8175.00.00.03 | Втулка | 2 |
| 15 | 2 10Н БДС833-82 | Шайба | 3 |
| 16 | [Болт М10х30-6g БДС1230-72/8,8] | Болт М10х30-6g БДС1230-72/8,8 | 3 |
| 17 | 8175.01.00.00 | Кронштейн | 1 |
| 18 | 8175.00.00.02 | Втулка | 1 |
| 19 | 8175.00.00.01 | Болт | 1 |
| 20 | [Шплинт 6х28 БДС55-77] | Шплинт 6х28 БДС55-77 | 2 |
| 21 | 8175.00.00.05 | Шайба | 3 |
| 22 | 8158.00.00.03 | Ось | 1 |
| 23 | 8175.00.00.06 | Шайба | 2 |
| 24 | 8175.03.00.00 | Рулевая колонна | 1 |
| 25 | [Кольцо В25 БДС21 70-75] | Кольцо В25 БДС21 70-75 | 1 |
| 26 | [Кольцо А47 БДС21 70-75] | Кольцо А47 БДС21 70-75 | 2 |
| 27 | 80105 | Подшипник БДС4884-72 | 1 |
| 28 | 8158.1.03.00.00 | Труба в сборе | 1 |
| 29 | [Винт М5х10 БДС1359-75/5,6] | Винт М5х10 БДС1359-75/5,6 | 1 |
| 30 | 8162.01.00.00 | Контакт | 1 |
| 31 | [Гайка М18х2,57Н БДС1262-72/8] | Гайка М18х2,57Н БДС1262-72/8 | 1 |
| 32 | [Пружинная шайба 16Н БДС833-71] | Пружинная шайба 16Н БДС833-71 | 1 |
| 33 | 8151.02.00.00 | Шайба в сборе | 1 |
| 34 | 8158.1.03.02.00 | Вал в сборе | 1 |
| 35 | 8158.1.03.02.01 | Вал | 1 |
| 36 | 8162.03.00.01 | Кольцо изоляционное | 1 |
| 37 | 8162.1.03.01.00 | Кольцо контактное | 1 |
| 38 | 85-340.00.00.01 | Штифт | 1 |
| 39 | 8178.00.00.05 | Уплотнение | 1 |
| 40 | 6201.00.00.00 | Гидростатическое управление ХУ 85-10/1 | 1 |
Вы точно хотите удалить выбранный товар? Отменить данное действие будет невозможно.
Вы точно хотите удалить выбранный товар? Отменить данное действие будет невозможно.