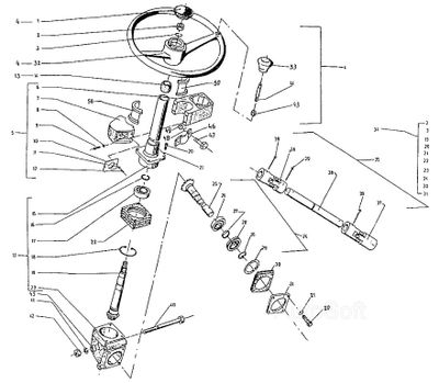
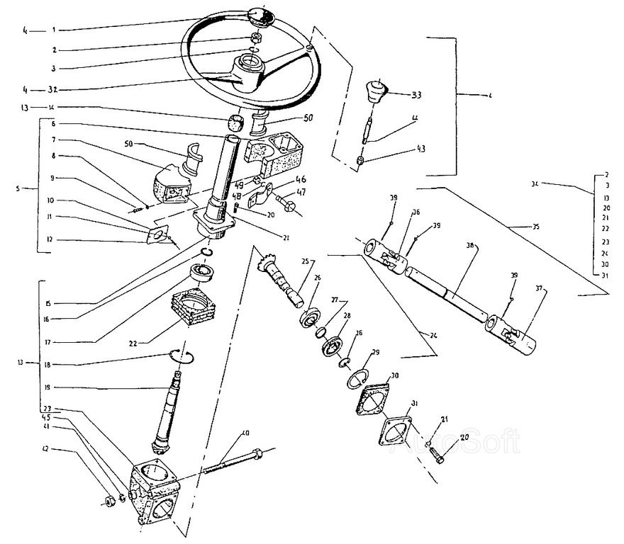
Система управления ЕВ 687
1 ₽
Удалить товар
Вы точно хотите удалить выбранный товар? Отменить данное действие будет невозможно.
| # | Номер детали | Наименование | Кол-во на модель |
|---|---|---|---|
| 687.33.06.00.00 | Система управления | 1 | |
| 1 | 8171.00.00.01 | Крышка | 1 |
| 2 | [Гайка М18х1,5-8 БДС1262-83] | Гайка М18х1,5-8 БДС1262-83 | 1 |
| 3 | [Пружинная шайба 2 18Н БДС833-82] | Пружинная шайба 2 18Н БДС833-82 | 1 |
| 4 | 8171.00.00.00 | Рулевое колесо | 1 |
| 5 | 717.33.04.03.00.00 | Коробка | 1 |
| 6 | 717.33.04.03.00.01 | Коробка в сборе | 1 |
| 7 | 717.33.04.03.02 | Крышка | 1 |
| 8 | АМ6 БДС206-78 | Шайба | 4 |
| 9 | [Винт 1 М6х25-5.6 БДС8226-71] | Винт 1 М6х25-5.6 БДС8226-71 | 4 |
| 10 | 717.33.04.03.00.02 | Крышка | 1 |
| 11 | [Шайба АМ4 БДС206-78] | Шайба АМ4 БДС206-78 | 1 |
| 12 | [Винт 1 М4х10-5.6 БДС8226-71] | Винт 1 М4х10-5.6 БДС8226-71 | 2 |
| 13 | 5654.2.01.00.00 | Колонна в сборе | 1 |
| 14 | 5665.00.00.03 | Втулка | 1 |
| 15 | 5654.2.01.02.00 | Крышка в сборе | 1 |
| 16 | В30 БДС2170-77 | Кольцо | 2 |
| 17 | [Подшипник 60206 ГОСТ7242-81] | Подшипник 60206 ГОСТ7242-81 | 2 |
| 18 | [Кольцо А62 БДС2170-77] | Кольцо А62 БДС2170-77 | 1 |
| 19 | 5654.2.01.01.00 | Вал с шестерней | 1 |
| 20 | [Болт 1 М8х22-8.8 БДС1232-86] | Болт 1 М8х22-8.8 БДС1232-86 | 8 |
| 21 | 2 8Н БДС833-82 | Пружинная шайба | 8 |
| 22 | 5678.00.00.05 | Уплотнение | 4 |
| 23 | 5678.00.00.01 | Картер | 1 |
| 24 | 5654.22.02.00.00 | Вал с шестерней в сборе | 1 |
| 25 | 5654.22.02.00.01 | Вал с шестерней | 1 |
| 26 | 6206 БДС4843-72 | Подшипник | 1 |
| 27 | 5678.02.00.02 | Втулка распорная | 1 |
| 28 | 5654.02.00.02 | Подшипник 60206 | 1 |
| 29 | 62 БДС4889-68 | Пружинная шайба предохранительная | 1 |
| 30 | [Регулирующая пластина] | Регулирующая пластина | 3 |
| 31 | 5678.00.00.04 | Крышка | 1 |
| 32 | 8171.01.00.00 | Рулевое колесо D=360 | 1 |
| 33 | 7003.00.04.00 | Рукоятка пластмассовая | 1 |
| 34 | 5654.22.00.00.00 | Рулевая колонна | 1 |
| 35 | 5746.42.00.00.00 | Стержень в сборе | 1 |
| 36 | 5748.00.00.00 | Карданная муфта | 1 |
| 37 | 5749.00.00.00 | Карданная муфта со шлицами | 1 |
| 38 | 5746.42.00.00.01 | Стержень в сборе | 1 |
| 39 | [Штифт 10х55 БДС3954-70] | Штифт 10х55 БДС3954-70 | 3 |
| 40 | [Болт 1 М14х120-8.8 БДС2662-72] | Болт 1 М14х120-8.8 БДС2662-72 | 3 |
| 41 | 2 14Н БДС833-82 | Шайба | 3 |
| 42 | [Гайка М14-5 БДС744-83] | Гайка М14-5 БДС744-83 | 3 |
| 43 | М12-5 БДС744-83 | Гайка | 1 |
| 44 | 8171.01.00.01 | Болт специальный | 1 |
| 45 | 687.33.06.00.01 | Шайба | 9 |
| 46 | 687.33.06.00.02 | Скоба | 1 |
| 47 | [Болт 1 М8х25-5.6 БДС1232-86] | Болт 1 М8х25-5.6 БДС1232-86 | 2 |
| 48 | [Шайба 2 8Н БДС833-82] | Шайба 2 8Н БДС833-82 | 2 |
| 49 | М8-5 БДС744-83 | Гайка | 2 |
| 50 | 717.33.04.00.02 | Полувтулка | 2 |
Вы точно хотите удалить выбранный товар? Отменить данное действие будет невозможно.
Вы точно хотите удалить выбранный товар? Отменить данное действие будет невозможно.