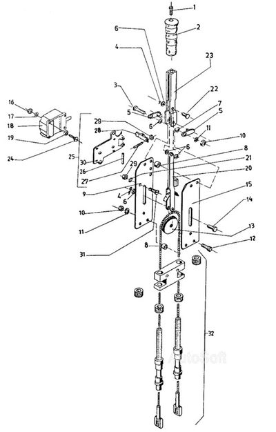
Тормоз ручной ЕВ 687
1 ₽
| # | Номер детали | Наименование | Кол-во на модель |
|---|---|---|---|
| 687.33.2.03.08.00.00 | Тормоз ручной | 1 | |
| 1 | [Винт 1А М6х20-5.8 БДС1360-88] | Винт 1А М6х20-5.8 БДС1360-88 | 1 |
| 2 | 6958.1.00.00.02 | Рукоятка | 1 |
| 3 | [Болт А1 М8х55-5.6 БДС1232-86] | Болт А1 М8х55-5.6 БДС1232-86 | 1 |
| 4 | [Шплинт 2х12 БДС55-77] | Шплинт 2х12 БДС55-77 | 2 |
| 5 | 6958.03.00.00 | Планка в сборе | 2 |
| 6 | [Шайба АМ8 БДС206-78] | Шайба АМ8 БДС206-78 | 4 |
| 7 | 6958.00.00.03 | Шайба | 1 |
| 8 | 6958.00.00.05 | Втулка распорная | 1 |
| 9 | 6958.3.00.00.01 | Боковина | 1 |
| 10 | М8-5 БДС744-83 | Гайка | 4 |
| 11 | [Шайба 2 8Н БДС833-82] | Шайба 2 8Н БДС833-82 | 4 |
| 12 | [Болт А1 М8х45-5.6 БДС1232-86] | Болт А1 М8х45-5.6 БДС1232-86 | 3 |
| 13 | 6958.00.00.04 | Ролик | 1 |
| 14 | [Ось Б 2-8h11х35х30 БДС3048-89] | Ось Б 2-8h11х35х30 БДС3048-89 | 1 |
| 15 | 6958.3.00.00.02 | Боковина | 1 |
| 16 | [Гайка М4-5 БДС744-83] | Гайка М4-5 БДС744-83 | 4 |
| 17 | [Шайба 2 4Н БДС833-71] | Шайба 2 4Н БДС833-71 | 4 |
| 19 | 4432101 | Выключатель блокировочный, малый 11 | 4 |
| 18 | [Выключатель блокировочный, малый 11] | Выключатель блокировочный, малый 11 | 1 |
| 20 | 6958.1.02.00.00 | Вилка в сборе | 1 |
| 21 | 2 6Н БДС833-82 | Шайба | 1 |
| 22 | [Ось Б 2-8h11х22х18.5 БДС3048-89] | Ось Б 2-8h11х22х18.5 БДС3048-89 | 1 |
| 23 | 735.33.10.03.04.01 | Рычаг в сборе | 1 |
| 24 | [Винт М4х16-5.6 БДС1358-83] | Винт М4х16-5.6 БДС1358-83 | 4 |
| 25 | 6958.3.01.00.00 | Планка в сборе | 2 |
| 26 | 6958.3.01.00.02 | Ось | 1 |
| 27 | 6958.1.01.00.03 | Винт М6х40 | 1 |
| 28 | 6958.3.01.00.03 | Планка | 1 |
| 29 | М6-5 БДС744-83 | Гайка | 1 |
| 30 | 6958.3.01.00.01 | Планка | 1 |
| 31 | [Винт1 А М6х16-5.8 БДС1359-83] | Винт1 А М6х16-5.8 БДС1359-83 | 1 |
| 32 | 6187.04.00.00 | Трос тормозной в сборе | 1 |
Поделиться