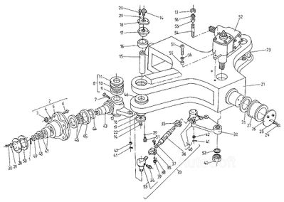
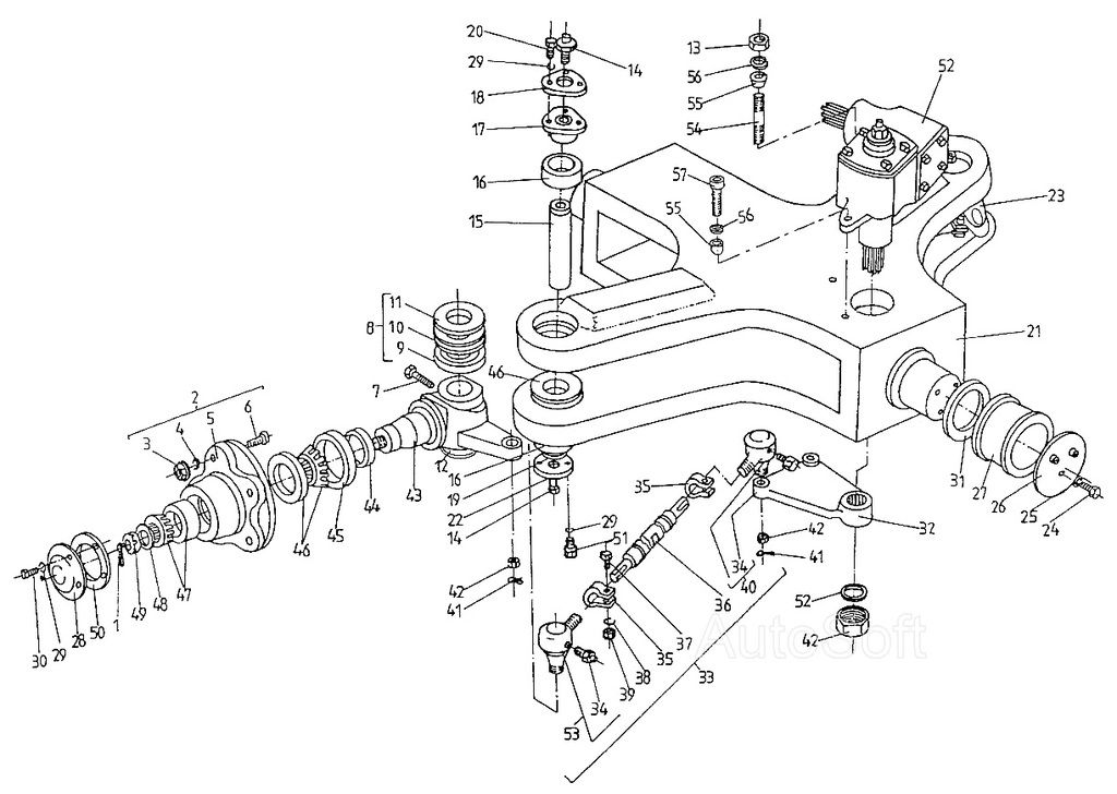
Управляемый мост ЕВ 687
1 ₽
Удалить товар
Вы точно хотите удалить выбранный товар? Отменить данное действие будет невозможно.
| # | Номер детали | Наименование | Кол-во на модель |
|---|---|---|---|
| 4900.00.00.00-02 | Управляемый мост | 1 | |
| 4900.00.00.00-03 | Управляемый мост | 1 | |
| 1 | [Шплинт 5х36 БДС55-77] | Шплинт 5х36 БДС55-77 | 2 |
| 2 | 4900.02.00.00 | Ступица в сборе | 2 |
| 3 | 4901.02.00.02 | Специальная гайка | 10 |
| 4 | С14,5 DIN74361 | Сферическая пружинная шайба | 10 |
| 5 | 4900.02.00.02 | Ступица | 2 |
| 6 | 7015.00.00.33 | Болт колесный М14х1,5 | 10 |
| 7 | [Винт М12х35-8.8 БДС1368-73] | Винт М12х35-8.8 БДС1368-73 | 2 |
| 8 | 4901.03.00.00 | Упорный подшипник в сборе | 2 |
| 9 | 4901.03.00.02 | Крышка | 2 |
| 10 | [Подшипник 8205 ГОСТ6874-75] | Подшипник 8205 ГОСТ6874-75 | 2 |
| 11 | 4901.03.00.01 | Крышка | 2 |
| 12 | 6187.06.00.01 | Регулирующая пластина | 4 |
| 13 | [Гайка М14-8 БДС744-83] | Гайка М14-8 БДС744-83 | 3 |
| 14 | [Пресс-масленка 2.1.45 БДС1640-81] | Пресс-масленка 2.1.45 БДС1640-81 | 4 |
| 15 | 4901.00.00.16 | Болт поворотного кулака | 2 |
| 16 | [Подшипник 942/25 ГОСТ4060-78] | Подшипник 942/25 ГОСТ4060-78 | 4 |
| 16 | [Подшипник 943/25 ГОСТ4060-78] | Подшипник 943/25 ГОСТ4060-78 | 4 |
| 17 | 4901.00.00.15 | Уплотняющая крышка | 2 |
| 17 | 4901.00.00.17 | Уплотняющая крышка | 2 |
| 18 | 4925.1.00.00.03 | Крышка | 2 |
| 19 | 4901.00.00.14 | Шайба | 2 |
| 20 | [Болт 1 М6х16-5.6 БДС1230-85] | Болт 1 М6х16-5.6 БДС1230-85 | 6 |
| 21 | 4900.05.00.00 | Балка в сборе | 1 |
| 22 | 4901.00.00.13 | Крышка | 2 |
| 23 | 4901.00.00.03 | Поворотный кулак правый | 1 |
| 24 | [Болт В2 М12х25-5.6 БДС1232-86] | Болт В2 М12х25-5.6 БДС1232-86 | 3 |
| 25 | 2 12Н БДС833-82 | Шайба | 3 |
| 26 | 4901.00.00.09 | Шайба | 1 |
| 27 | 4901.04.00.00 | Втулка упругая | 2 |
| 28 | 4934.00.00.11 | Крышка | 2 |
| 29 | 2 6Н БДС833-82 | Шайба | 20 |
| 30 | [Винт 1А М6х12-5.6 БДС832-76] | Винт 1А М6х12-5.6 БДС832-76 | 8 |
| 31 | 4901.00.00.08 | Шайба | 2 |
| 32 | 4901.00.00.01 | Рычаг со шлицевым отверстием | 1 |
| 33 | 4900.03.00.00 | Штанга в сборе | 1 |
| 34 | 1.1 БДС1640-81 | Пресс-масленка | 8 |
| 35 | 4909.00.04.02 | Скоба | 4 |
| 36 | 4900.03.00.01 | Штанга | 1 |
| 37 | [Болт В1 М10х40-8.8 БДС1232-86] | Болт В1 М10х40-8.8 БДС1232-86 | 4 |
| 38 | 2 10Н БДС833-82 | Шайба | 4 |
| 39 | [Гайка 1-8 БДС1259-83] | Гайка 1-8 БДС1259-83 | 4 |
| 40 | 8056.00.00.00 | Соединение шаровое 22 | 2 |
| 41 | [Шплинт 3,2х28 БДС55-77] | Шплинт 3,2х28 БДС55-77 | 4 |
| 42 | [Гайка М12х1,5-05-А БДС1254-90] | Гайка М12х1,5-05-А БДС1254-90 | 4 |
| 43 | 4901.00.00.02 | Поворотный кулак левый | 1 |
| 44 | 5024.00.00.09 | Втулка | 2 |
| 45 | [Уплотнение Б 55х75х10-1 БДС9954-83] | Уплотнение Б 55х75х10-1 БДС9954-83 | 2 |
| 46 | [Подшипник 7207 ГОСТ333-79] | Подшипник 7207 ГОСТ333-79 | 2 |
| 47 | [Подшипник 7306 ГОСТ333-79] | Подшипник 7306 ГОСТ333-79 | 2 |
| 48 | 4901.00.00.07 | Шайба с зубом | 2 |
| 49 | 4901.00.00.10 | Гайка с прорезями | 2 |
| 50 | 4934.00.00.18 | Шайба уплотнительная | 2 |
| 51 | [Болт 1 М6х12-5.6 БДС1230-85] | Болт 1 М6х12-5.6 БДС1230-85 | 6 |
| 52 | 5858.00.00.00 | Рулевой механизм | 1 |
| 53 | 8057.00.00.00 | Соединение шаровое 22 | 2 |
| 54 | 4901.00.00.12 | Шпилька | 3 |
| 55 | 705.03.00.04 | Втулка коническая | 3 |
| 56 | 2 14Н БДС833-82 | Шайба | 3 |
| 57 | [Винт М14х50-8.8 БДС2171-83] | Винт М14х50-8.8 БДС2171-83 | 1 |
Вы точно хотите удалить выбранный товар? Отменить данное действие будет невозможно.
Вы точно хотите удалить выбранный товар? Отменить данное действие будет невозможно.